密閉采樣系列
密閉采樣器
|產品介紹
密閉采樣器是以SH023-92《液化石油氣采樣法》為基礎。適用于石油化工置中各種有毒有害及易燃、易爆等有危險性的高、中、低壓介質進行的取樣。采集的樣品真實性強,無殘液、殘氣排放,有效地防止有毒害介質對使用都的傷害,同時也避免造成環境污染,以及易燃易爆介質在采樣時可能造成的傷害。
HCY型密閉采樣器是我公司參考UOP技術,結合生產實際、用戶意見、國外同類產品先進經驗、歷經幾年開發設計的新型采樣設備(HCYA-LR型液體密閉采樣器,帶吹掃、定量;HCY A-G型氣體密閉采樣器,帶吹掃)。該設備性能完全能與國外產品媲美,適用于石油、化工裝置中對管道內的工藝狀況下各種介質——尤其是有毒、易燃、易爆等危害性的中、低、高壓氣、液介質的無泄漏采樣。所采樣品真正做到新鮮、準確性高,無殘液、殘氣,有效防止有毒、有害介質對操作者的傷害,符合國家對環保和防火、防爆規范的要求。
閥門、卡套接頭等配置:國產、臺灣JPE、美國世偉洛克swagelok,由客戶自選。
HCY型密閉采樣器是我公司參考UOP技術,結合生產實際、用戶意見、國外同類產品先進經驗、歷經幾年開發設計的新型采樣設備(HCYA-LR型液體密閉采樣器,帶吹掃、定量;HCY A-G型氣體密閉采樣器,帶吹掃)。該設備性能完全能與國外產品媲美,適用于石油、化工裝置中對管道內的工藝狀況下各種介質——尤其是有毒、易燃、易爆等危害性的中、低、高壓氣、液介質的無泄漏采樣。所采樣品真正做到新鮮、準確性高,無殘液、殘氣,有效防止有毒、有害介質對操作者的傷害,符合國家對環保和防火、防爆規范的要求。
閥門、卡套接頭等配置:國產、臺灣JPE、美國世偉洛克swagelok,由客戶自選。
|產品結構
HCY型采樣器已在國內石油化工工藝裝置(渣油加氫、重油催化、氣體分餾等裝置)中采用,獲得了一致好評。我公司生產HCYM型密閉式采樣器用戶可以根據不同的工藝要求選用。各采樣器主體材質均為1Cr18Ni9Ti或0Cr18Ni9Ti,外觀大方、華麗。HCYM型密閉式采樣器,主要由箱體、采樣瓶、緩沖罐、快換手輪、壓力表、閥門、密封件及法蘭組成。
|產品技術參數
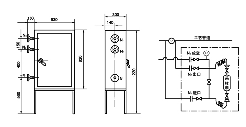
技術參數適用范圍①HCYM-IA型液體密閉式采樣器
●適用范圍:
適用于各種有毒、有害、易燃、易爆等各種液體介質的采樣。
●技術參數:
采樣溫度:-20~60℃,
設計壓力:0~10.0MPa,
采 樣 量:100ml。

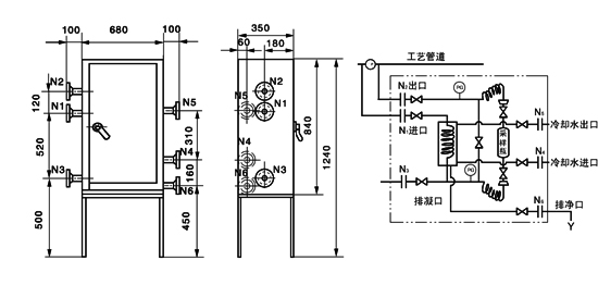
②HCYM-IB型液體密閉式采樣器
●適用范圍:
適用于各種有毒、有害、易燃、易爆等各種液體介質的采樣。
●技術參數:
采樣溫度:-20~400℃,
設計壓力:0~10.0MPa,
采 樣 量:100mL。

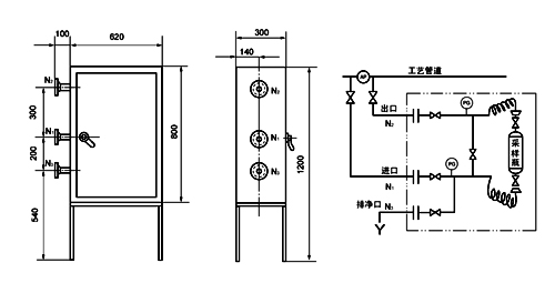
③HCYM-IIA型氣體密閉式采樣器
●適用范圍:
適用于各種有毒、有害、易燃、易爆等各種氣體介質的采樣。
●技術參數:
使用溫度:-20~50℃,
設計壓力:0~10.0MPa,
采 樣 量:200ml~500ml。

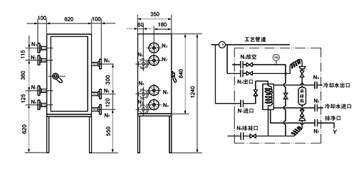
④HCYM-IIB型氣體密閉式采樣器
●適用范圍:
適用于各種有毒、有害、易燃、易爆等各種氣體介質的采樣。
●技術參數:
采樣溫度:-20~400℃,
設計壓力:0~10.0MPa,
采 樣 量:200ml~500ml。

|安裝維護
|訂貨須知
1、訂貨時請詳細注明采樣器型號、介質名稱、壓力和溫度。2、請注明連接面法蘭標準。